產品概述

技術參數
| 觸點 | 形式 | 2Z 2H 2D | 3Z 3H 3D |
| 負載(阻性) | 40A/240VAC 28VDC | ||
| 接觸電阻(初始) | ≤100m? | ||
| 材料 | 銀合金 | ||
| 電氣壽命(頻率 1S 通,1S 斷) | ≥105次 | ||
| 機械壽命(頻率 300 次/1 分鐘) | ≥107次 | ||
| 吸合電壓(23℃) | DC:≤75%×額定電壓,AC:≤80%×額定電壓 | ||
| 釋放電壓(23℃) | DC:≥10%×額定電壓,AC:≥30%×額定電壓 | ||
| 電壓(23℃) | 110%×額定電壓 | ||
| 線圈規格 | 直流(DC) | 6V,9V,12V,24V,36V,48V,110V,220V(電壓可訂制) | |
| 交流(AC) | 6V,9V,12V,24V,36V,48V,110V,220V,380V(電壓可訂制) | ||
| 線圈功率 | 直流(DC) | 2.5W | |
| 交流(AC) | 6VA | ||
| 吸合時間 | ≤25ms | ||
| 釋放時間 | ≤15ms | ||
| 初始耐壓 | 同極觸點之間 | 1500VAC/1min(漏電流 1mA) | |
| 異極觸點之間 | 1500VAC/1min(漏電流 1mA) | ||
| 觸點與線圈間 | 2500VAC/1min(漏電流 1mA) | ||
| 絕緣電阻 | ≥500M?(500VDC) | ||
| 環境溫度 | -25~+55℃ | ||
| 環境濕度 | 45%~75%RH | ||
| 大氣壓力 | 86~106KPa | ||
| 耐沖壓 | 10G(正弦半波脈沖:11ms) | ||
| 耐振動 | 10~55Hz 雙振幅:1.0mm | ||
| 安裝方式 | 插入式,螺絲安裝式 | ||
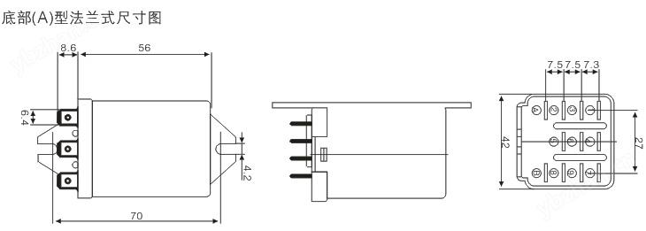
外形圖、接線圖、安裝尺寸(mm)




性能曲線圖



































