1.產品特點
該系列產品測量精度高、轉換性能好、溫度特性好,有防雷電的保護功能。S3-AD-1T(N3-AD-1T)、S3-AD-3T(N3-AD-3T)類型的變送器,輸入信號失真波形不影響該儀器的測量精度。具有長距離傳送能力(4~20mA,500Ω),固定方式,符合DIN46277,可按裝于35mm之鋁軌上。
2.產品型號:
S3-AD-1 :單相交流電流變送器,精度等級:0.2%RO
S3-AD-1T :單相交流電流變送器,精度等級:0.2%RO(真有效值)
S3-AD-1S :單相交流電流變送器,精度等級:0.2%RO,(雙輸出)
S3-AD-3 :三相交流電流變送器,精度等級:0.2%RO
S3-AD-3T:三相交流電流變送器,精度等級:0.2%RO(真有效值)
N3-AD-1 :單相交流電流變送器,精度等級:0.5%RO
N3-AD-1T :單相交流電流變送器,精度等級:0.5%RO(真有效值)
N3-AD-1S :單相交流電流變送器,精度等級:0.5%RO,(雙輸出)
N3-AD-3 :三相交流電流變送器,精度等級:0.5%RO
N3-AD-3T:三相交流電流變送器,精度等級:0.5%RO(真有效值)
3.接線圖:

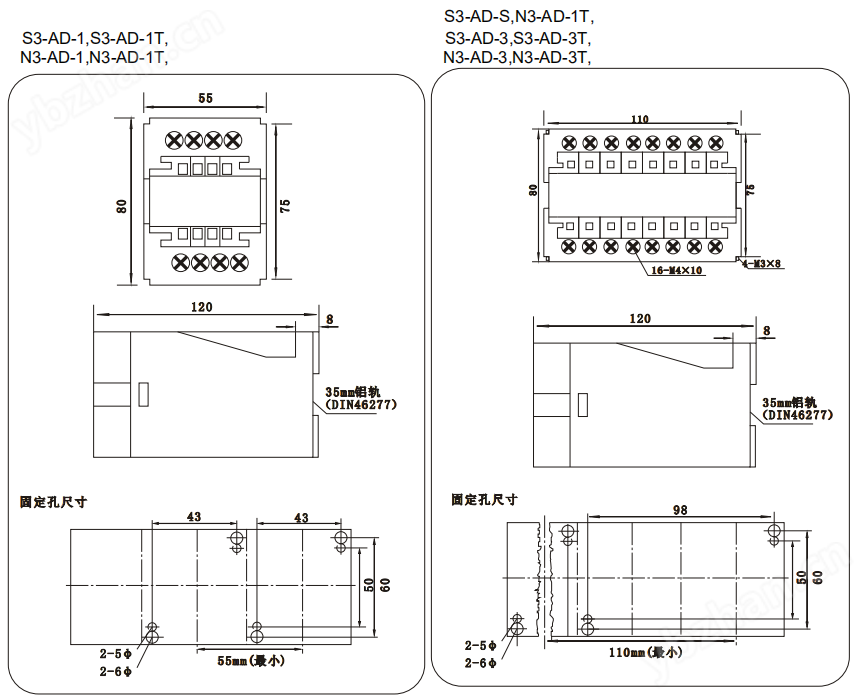
4.外形尺寸圖:
