產品特點
- 智能設計 / metal structure design 核心技術研發制造,性能穩定。
一 - 操作簡單 / Case structure design 全新的外殼結構設計,操作簡單效率高,無需增加部件即可應用于高溫環境。 二
- 靈活可控 / Conical measuring tube 測量數據準確,測量范圍更廣,測量線性更好。 三
- 連接方式多樣 / connection methods 可提供法蘭、卡箍、螺紋等多種過程連接方式,適合大部分工廠應用需求。 四
- 測量部分材料可選 / Material optional 不銹鋼、鈦、哈氏合金、PTFE、FEP等材料。 五
- 售后無憂 / Magnetic coupling system公司提供售后服務,快速效率高。
六
靶式流量開關
性能參數:
外殼防護等級IP54 輸出形式:微動開關SPDT輸出 接線方式:端子接線
觸點壽命:10萬次 環境溫度: -25~80℃ 使用介質溫度范圍:-10~90℃(液態、氣態)
工作介質:空氣、水和油 重復性:±2.5%總量程 上限承壓:1MPa
輸出: 機械開關常開或常閉 微動開關參數:24VDC,220VAC,3A阻性(負載)
材質: 過程連接:黃銅 連接桿:黃銅 靶片:316L不銹鋼 防護外殼:塑料聚合物&304不銹鋼
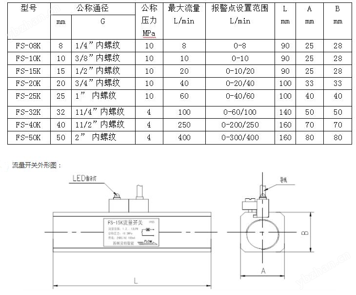
活塞式流向開關
工作壓力:0-10MPa 工作溫度:-20到+120℃
精 度:設定點±5% (有流量刻度) 管道連接方式:內管螺紋連接
產品應用:
潤滑系統、冷卻系統、化工耐腐泵密封監測、半導體行業、激光頭、焊接頭、電源、X射線管、半導體設備、水凈化和過濾、熱水器、工業冷水機。其性能可確保關鍵軸承或齒輪上有適當的潤滑油流動,以防止諸如印刷、旋轉設備、傳送裝置、加工工具、機器人系統發生停工現象。采用美國磁簧開關保證了開關長期工作,使用壽命長,安全可靠。已成功替代國外同類產品應用于各個領域。




































