一、主要特點
1、表體長度為3DN(DN為流量計口徑),并經高、低水平擾動試驗;
2、可檢測被測氣體的溫度、壓力和流量,能進行流量自動跟蹤補償和壓縮因子修正,并顯示標準狀態下(Pb=101.325KPa,Tb=293.15K)的氣體體積累積量;
3、流量范圍寬(qmax/qmin=20:1),重復性好,精度高(可達1.0級),壓力損失小,起始流量低;
4、具有五段儀表系數設定及自動修正的功能;
5、采用專用一體化整流器,對流量計的前后直管段安裝要求低(前為≥2DN ,下游無要求);
6、內置式壓力、溫度傳感器,安全性能高、結構緊湊、外形美觀;
7、對壓力、溫度傳感器的故障能自行診斷,并直接顯示在LCD屏上;
8、一節鋰電池可連續使用五年以上,并具有電池欠壓兩級報警輸出功能,更適合與IC卡管理系統的配套使用;
9、智能流量積算儀可以任意角度定位(轉動角度為350°),使流量計在各種安裝條件下的讀數更方便,更直接;
10、時間顯示及實時數據存儲之功能,無論什么情況,都能保證內部數據不會丟失,可長時間保存;
11、儀表就具有RS-485通訊接口功能,并配備功能強大,界面豐富的數據管理軟件系統,可打印各自動生成的圖表;
12、儀表具有防爆及防護功能,防爆標志為ExiaIICT6Ga,防護等級IP65;
13、根據用戶要求,可提供GSM網絡功能,實現低成本遠距離無線數據傳輸;
14、壓力,溫度定值設置之功能,特別適用于介力,溫度相對穩定的場合。
二、流量計型號規格及基本參數
型號規格 | 公稱通徑(mm/inch) | 流量范圍(m3/h) | 公稱壓力(MPa) | 準確度 | Qmax時壓力損失(Pa) | 殼體材料 |
LWQ-25B | 25(1") | 4~40 | 1.6 |
1.5級 Qmin-0.2Qmax:±3.0% 0.2Qmax-Qmax:±1.5%
1.0級 Qmin-0.2Qmax:±2% 0.2Qmax-Qmax:±1% | 1200 | 鋁合金 |
LWQ-50A | 50(2") | 5~70 | 1.6 2.5 4.0 6.3 | 700 | 鋁合金 不銹鋼 | |
LWQ-50B | 10~100 | 1200 | ||||
LWQ-50C | 10~160 | 2200 | ||||
LWQ-80A | 80(3") | 10~160 | 700 | |||
LWQ-80B | 13~250 | 1200 | ||||
LWQ-80C | 20~400 | 2200 | ||||
LWQ-100A | 100(4") | 13~250 | 700 | |||
LWQ-100B | 20~400 | 1300 | ||||
LWQ-100C | 32~650 | 2300 | ||||
LWQ-150A | 150(6") | 32~650 | 700 | |||
LWQ-150B | 50~1000 | 1000 | ||||
LWQ-150C | 80~1600 | 2000 | ||||
LWQ-200A | 200(8") | 50~1000 | 700 | |||
LWQ-200B | 80~1600 | 1000 | ||||
LWQ-200C | 125~2500 | 2000 | ||||
LWQ-250A | 250(10") | 80~1600 | 500 | |||
LWQ-250B | 125~2500 | 1200 | ||||
LWQ-250C | 200~4000 | 2000 | ||||
LWQ-300A | 300(12") | 125~2500 | 500 | |||
LWQ-300B | 200~4000 | 1000 | ||||
LWQ-300C | 325~6500 | 2000 |
注:①表中所列的流量范圍為產品出廠檢定時的流量范圍(常溫、常壓下ρ=1.205kg/m3);
②隨著壓力的增大,流量范圍也隨之擴大;
③A、B、C分別代表同一口徑時較小、中等、較大的流量范圍;
④未特殊說明,產品均按1.5級出廠;
⑤其他流范圍,請在訂貨時說明。
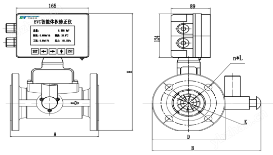
三、流量計的外形尺寸
流量計采用法蘭連接方式,法蘭尺寸執行GB/T 9119-2010標準,流量計外形見圖1,尺寸列于表2中(此表為PN1.6MPa時的法蘭尺寸)。

圖1

表2
尊貴的客戶,如果您有問題可以隨時電聯或者留言,我們會在第一時間與您取得聯系,竭誠為您服務 。



























