- 類型:反射型
- 輸出類型:NPN
- 連接器類型:連接器型
- 檢測距離:1000mm
- 被檢測物體:不透光物體
- 光斑尺寸:1000mm時,約Φ75mm
- 光源:紅光LED
- 電源電壓:10至30VDC±10%之間
- 反應時間:0.5ms
- 靈敏度調節:螺絲刀調整設定;單圈電位器
- 動作輸出:LIGHT-ON/DARK-ON
- 指示燈:輸出及電源:紅色LED;穩定操作:綠色LED
- 尺寸:31*20*11
- 防護等級:IP67
- 環境溫度:環境溫度:-25 ... 70 °C (-13 ... 158 °F)
- 儲存溫度:-40 ... 85 °C (-40 ... 185 °F)
- 外殼:聚碳酸酯;光學端面;PUMA
尺寸圖
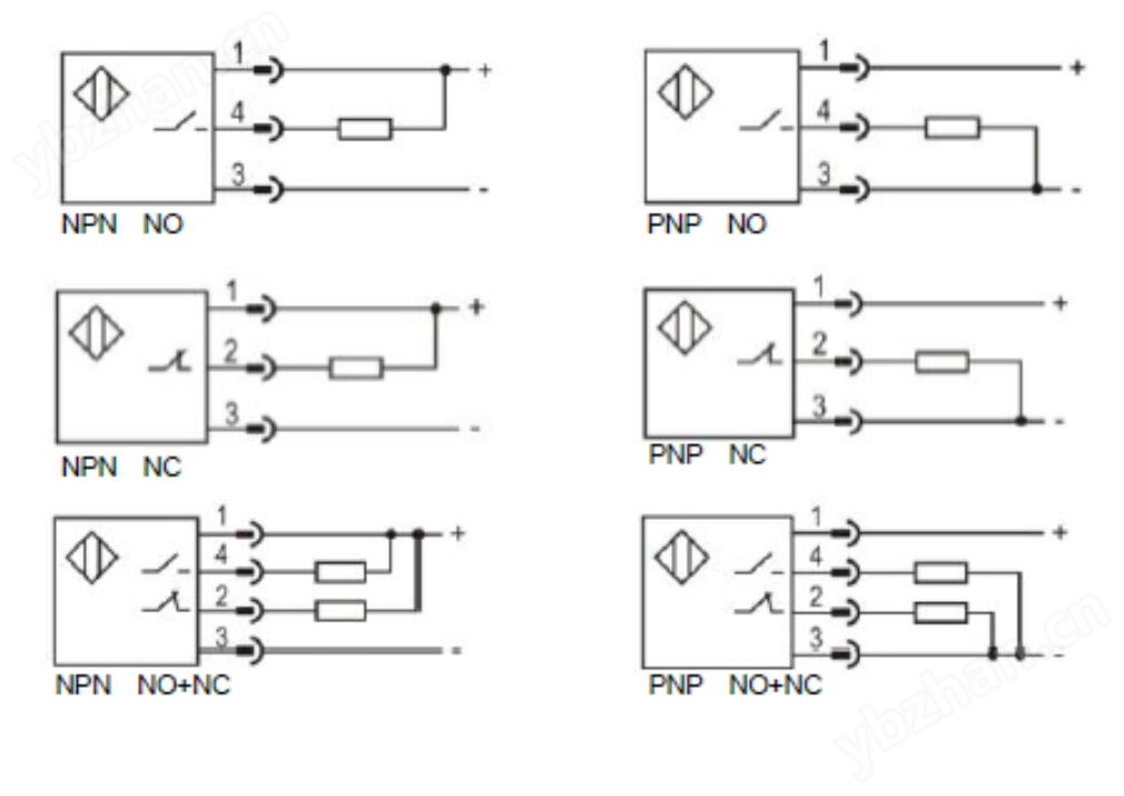
接線圖



































